Manifold Valves Manufacturer & Supplier
Best in Class Industrial High Pressure Manifold Valve, 2 Way, 3 Way & 5 Way Manifold Valves Manufacturer & Supplier in India
Stainless Steel Manifold Valves, Carbon Steel Manifold Valves, Alloy Steel Manifold Valve, Aluminium Manifold Valves, Brass Manifold Valves Stockist & Dealers
ACE ALLOYS LLP is one of the expertise manufacturer and exporter of Steel Manifold Valves, which is a hydraulic manifold that combines one or more block / isolate valves, and one or more bleed / vent valves, into one component for interface with other components (pressure measurement transmitters, gauges, switches, etc.) of a hydraulic (fluid) system.
The purpose of the block and bleed manifold is to isolate or block the flow of fluid in the system so the fluid from upstream of the manifold does not reach other components of the system that are downstream. Then these Stainless Steel Manifold Valves bleed off or vent the remaining fluid from the system on the downstream side of the manifold. For example, a block and bleed manifold would be used to stop the flow of fluids to some component, then vent the fluid from that component’s side of the manifold, in order to effect some kind of work (maintenance/repair/replacement) on that component.
Carbon Steel Manifold Valves is factory tested with nitrogen for leakage at the seat and packing, which is performed with de ionised water at 1.5 times the working pressure; however, other tests like vibration, temperatures, helium and so on are available upon requests. Each and every package is labelled for proper and easy identification.
ACE ALLOYS also offer these Alloy Steel Manifold Valves in different sizes, shapes and designs as per customers’ specifications at affordable rates.
Types of 2 Way, 3 Way & 5 Way Manifold Valves
| 2 Valve Manifolds | ||
| Straight Type | Tee Type | |
| H Type | ||
| 3 Valve Manifolds | ||
| Straight Type | Tee Type | |
| H Type | ||
| 5 Valve Manifolds | ||
| Straight Type | Tee Type | |
| H Type | ||
| Monoflange Valves |
Dimensions of ANSI/ASME B16.10 Manifold Valves
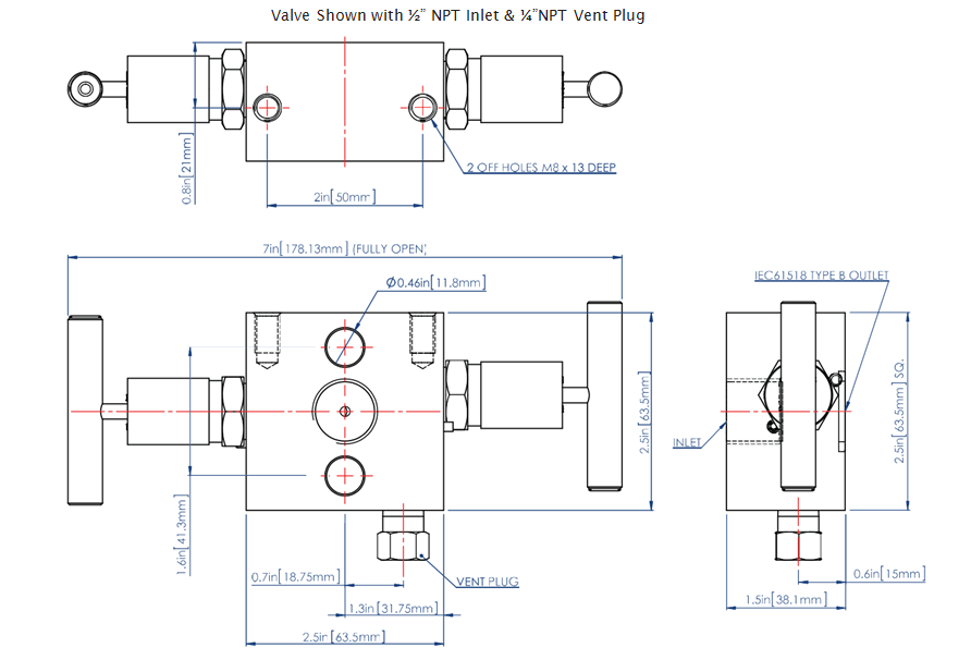
2-Way Manifold Valve
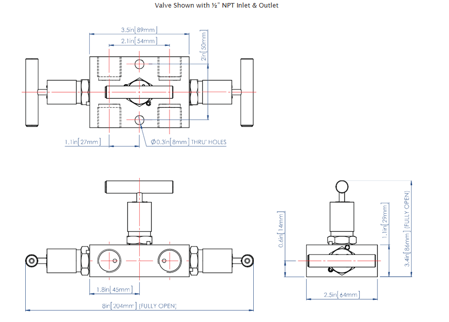
3-Way Manifold Valve
5-Way Manifold Valve
Types of ANSI/ASME B16.10 Manifold Valves
- Stainless Steel Manifold Valves Manufacturer
- Steel Manifold Valves Supplier
- Alloy Steel Manifold Valves Exporter
- High Pressure Manifold Valves
- Steel Manifold Valves
- Carbon Steel Manifold Valves
- Metal Manifold Valves
- Nickel Alloy Manifold Valves
- Duplex Steel Manifold Valves
- Inconel Manifold Valves
- Hastelloy Manifold Valves
- Low Temperature Carbon Steel Manifold Valves
- Martensitic Steels Manifold Valves
- Austenitic Stainless Steel Manifold Valves
- Duplex Stainless Steels Manifold Valve
- Super Duplex Stainless Steels Manifold Valve
- Nickel Aluminum Bronze Manifold Valve
- Titanium Alloy Steel Manifold Valves
For Manifold Valves price list as on :
Request the latest Manifold Valves Price List. Use the contact button below for Manifold Valves Ready stock information and updated price list.
Other Material Grades of ANSI/ASME B16.10 Manifold Valves
| DESCRIPTION | UNS GRADE | FORGING | CASTING | BARSTOCK |
|---|---|---|---|---|
| Carbon Steel | K30504 | A105 | A216 WCB | A105 |
| Low Temp Carbon | K03011 | A350 LF2 | A352 LCB | A350 LF2 |
| High Yield Steel | K03014 | A694 F60 | - | A694 F60 |
| 3 1/2 Nickel Steel | K32025 | A350 LF3 | A352 LC3 | A350 LF3 |
| 5 Chrome, 1/2 Moly | K41545 | A182 F5 | A217 C5 | A182 F5 |
| 1 1/4 Chrome, 1/2 Moly | K11597 | A182 F11 | A217 WC6 | A182 F11 |
| 2 1/4 Chrome, 1 Moly | K21590 | A182 F22 | A217 WC9 | A182 F22 |
| 9 Chrome, 1 Moly | K90941 | A182 F9 | A217 WC6 | A182 F9 |
| 13 Chrome | S41000 | A182 F6A | A351 CA15 | A276 or A479 410 |
| 304 | S30400 | A182 F304 | A351 CF8 | A276 or A479 304 |
| 304L | S30403 | A182 F304L | A351 CF3 | A276 or A479 304L |
| 316 | S31600 | A182 F316 | A351 CF8M | A276 or A479 316 |
| 316L | S31603 | A182 F316L | A351 CF3M | A276 or A479 316L |
| 317L | S31703 | A182 F317L | A351 CG8M | A276 or A479 317L |
| 321 | S32100 | A182 F321 | - | A276 or A479 321 |
| 347 | S34700 | A182 F347 | A351 CF8C | A276 or A479 347 |
| 17-4PH | S17400 | A564 630 | - | - |
| Alloy 400 | N04400 | B564 N04400 | A494 M35-1 | B164 N04400 |
| Alloy K500 | N05500 | - | - | B865 N05500 |
| Alloy 800 | N08800 | B564 N08810 | - | B408 N08800 |
| Alloy 825 | N08825 | - | - | B425 N08825 |
| Alloy 600 | N06600 | B564 N06600 | A494 CY40 | B166 N06600 |
| Alloy 625 | N06625 | B564 N06625 | A494 CW 6MC | B446 N06625 |
| Alloy B2 | N10665 | B564 N10665 | A494 N 12MV | B335 N10665 |
| Alloy C | N10002 | - | A494 CW6M | - |
| Alloy C22 | N06022 | B574 N06022 | A494 CX2MW | B574 N06022 |
| Alloy C276 | N10276 | B564 N10276 | A494 CW12 MW | B574 N10276 |
| 22% Duplex | S31803 | A182 F51 | A890 Gr 4A | A276 or A479 S31803 |
| 25% Duplex | S32750 or 32760 | A182 F53 | A890 Gr 6A | A276 or A479 S32750 or 60 |
| 254SMO | S31254 | A182 F44 | A351 CK3MCuN | A182 F44 |
| 904L | N08904 | B625 N08904 | - | B649 N08904 |
| Titanium | R50400 | B381 F2 | B367 C2 | B348 Gr 2 |
ANSI/ASME B16.10 Manifold Valves Application
| Off-Shore Oil Drilling Companies | Power Generation | Petrochemicals | Gas Processing |
| Specialty Chemicals | Pharmaceuticals | Pharmaceutical Equipment | Chemical Equipment |
| Sea Water Equipment | Heat Exchangers | Condensers | Pulp & Paper Industry |
ANSI/ASME B16.10 Manifold Valves Manufacturer & Supplier
- Manifold Valves manufacturer in india
- Manifold Valves supplier in india
- Manifold Valves manufacturer in Mumbai
- Manifold Valves manufacturer in Pune
- Manifold Valves supplier in Chennai
- Manifold Valves manufacturer in Hyderabad











