Stainless Steel Weld Neck Flanges
ANSI B 16.5, ASME B 16.47 Stainless Steel Weld Neck Flange, ASTM A182 SS Weld Neck Flanges, SS Raised Face Weld Neck Flanges, MSS SP44 Stainless Steel WNRF Flanges Stockist & Exporter
Manufacturer & Supplier of Stainless Steel 304 Weld Neck Flange, SS 316 Weld Neck Flange, SS UNS S30400 / S31600 Weld Neck Flanges, Stainless Steel Werkstoff Nr. 1.4301 / 1.4401 Welding Neck Pipe Flanges in India
Stainless Steel Weld Neck Flanges are designed and crafted using the standard stainless steel material that ideal for high pressure and cold & hot temperature applications. ACE ALLOYS LLP is highly engaged in offering a wide range of SS Weld Neck Flanges in various shapes. For example, raised face weld neck flanges or WNRF flanges, weld neck flat face flanges etc.
Weld Neck Flanges are joined to each other by bolts and are joined to the piping system by welding or threading. We hold a large array of Steel Welding Neck Flanges stock according to ASTM A182, ASME B16.5 dimensional standards. These flanges can be obtained by us in customized sizes and dimension with respect to national and international standards.
Our offered Weld Neck Flanges available in all major stainless steel grades such as SS 304 Weld Neck Flanges, SS 316 Weld Neck Flanges and many other. We ensure that the product delivers maximum output and comes within the budget of our clients. Our team manufactures products that may fulfil the various technological aspects. Get in touch with us and request a free quote!
Stainless Steel Weld Neck Flanges Availability:
- Stainless Steel Flate Face Weld Neck Flanges
- Stainless Steel Raised Face Weld Neck Flanges
- Stainless Steel Ring Type Joint Weld Neck Flanges
Stainless Steel Weld Neck Flanges Specifications:
| Standards | ANSI B16.5, ANSI B16.47 Series A & B, MSS SP44, ASA, API-605, AWWA, Custom Drawings |
| Size | 1/2" NB TO 48" NB |
| Designation | A 182 / A 240, SA 182 / SA 240 |
| Class | 150#, 300#, 400#, 600#, 900#, 1500# & 2500#. |
| Grade | ASTM A182 F304, 304L, 304H, 316, 316Ti, 316H, 316L, 316LN, 309S, 309H, 310S, 310H,317, 317L, 321, 321H, 347, 347H, 201, 202, 904L ETC. |
Available Grades of ANSI 16.5 Stainless Steel Weld Neck Flanges
ASTM A182 Stainless Steel Weld Neck Flanges Equivalent Grades
| STANDARD | WERKSTOFF NR. | UNS | JIS | BS | GOST | AFNOR | EN |
| SS 304 | 1.4301 | S30400 | SUS 304 | 304S31 | 08Х18Н10 | Z7CN18‐09 | X5CrNi18-10 |
| SS 316 | 1.4401 | S31600 | SUS 316 | 316S31 | - | Z7CND17‐11‐02 | X5CrNiMo17-12-2 |
Stainless Steel 304 / 316 Weld Neck Flanges Chemical Composition
| Grade | C | Mn | Si | P | S | Cr | Mo | Ni | N |
| SS 304 | 0.08 max | 2 max | 0.75 max | 0.040 max | 0.030 max | 18 – 20 | – | 8 – 11 | |
| SS 316 | 0.08 max | 2 max | 0.75 max | 0.045 max | 0.030 max | 16 – 18 | 2 – 3 | 10 – 14 | 0.1 max |
Stainless Steel S30400 / S31600 Weld Neck Flanges Mechanical & Physical Properties
| Density | Melting Point | Tensile Strength | Yield Strength (0.2%Offset) | Elongation |
| 8.0 g/cm3 | 1400 °C (2550 °F) | Psi – 75000 , MPa – 515 | Psi – 30000 , MPa – 205 | 35 % |
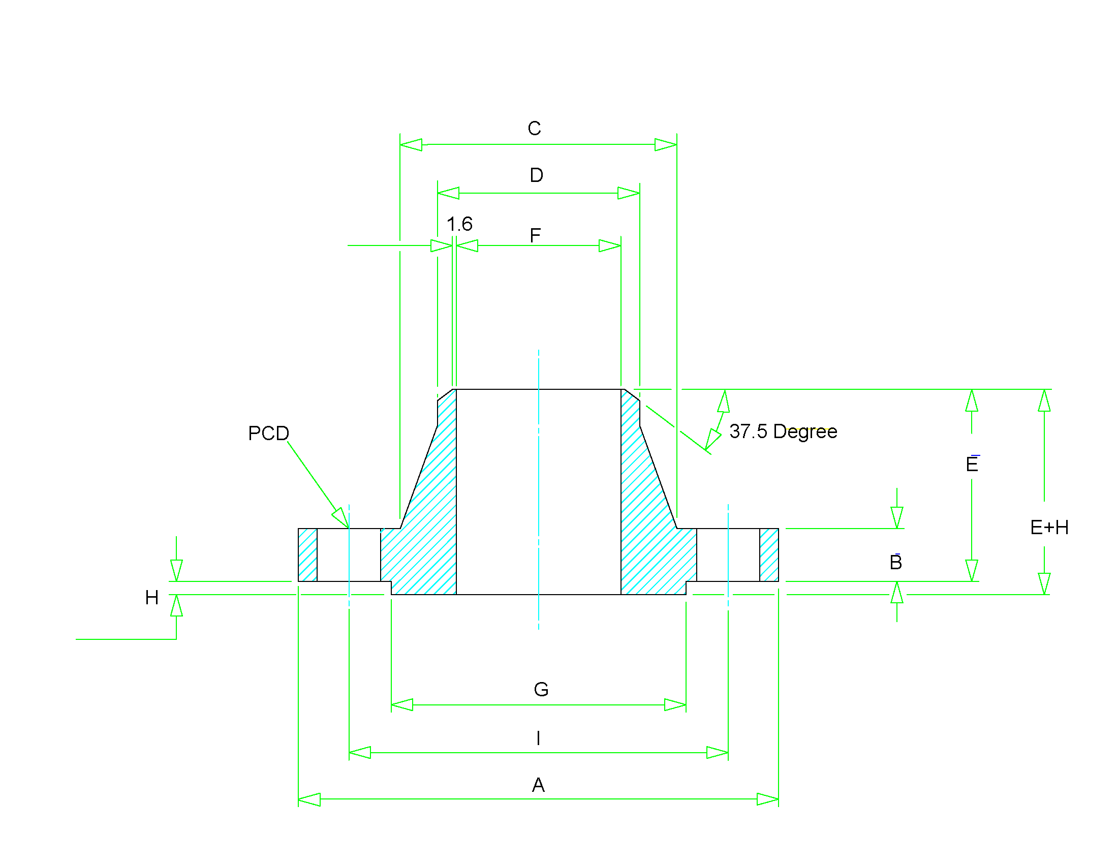
Weld Neck Flange Dimensions – Stainless Steel Class 150 to Class 2500
| Size in Inch | Size in mm | Outer Diameter | Flange Thick. | Hub OD | Weld Neck OD | Welding Neck Length | RF Diameter | RF Height | PCD | Weld Face |
| A | B | C | D | E | F | G | H | I | ||
| 1/2 | 15 | 90 | 9.6 | 30 | 21.3 | 46 | 34.9 | 2 | 60.3 | 1.6 |
| 3/4 | 20 | 100 | 11.2 | 38 | 26.7 | 51 | 42.9 | 2 | 69.9 | 1.6 |
| 1 | 25 | 110 | 12.7 | 49 | 33.4 | 54 | 50.8 | 2 | 79.4 | 1.6 |
| 1 1/4 | 32 | 115 | 14.3 | 59 | 42.2 | 56 | 63.5 | 2 | 88.9 | 1.6 |
| 1 1/2 | 40 | 125 | 15.9 | 65 | 48.3 | 60 | 73 | 2 | 98.4 | 1.6 |
| 2 | 50 | 150 | 17.5 | 78 | 60.3 | 62 | 92.1 | 2 | 120.7 | 1.6 |
| 2 1/2 | 65 | 180 | 20.7 | 90 | 73 | 68 | 104.8 | 2 | 139.7 | 1.6 |
| 3 | 80 | 190 | 22.3 | 108 | 88.9 | 68 | 127 | 2 | 152.4 | 1.6 |
| 3 1/2 | 90 | 215 | 22.3 | 122 | 101.6 | 70 | 139.7 | 2 | 177.8 | 1.6 |
| 4 | 100 | 230 | 22.3 | 135 | 114.3 | 75 | 157.2 | 2 | 190.5 | 1.6 |
| 5 | 125 | 255 | 22.3 | 164 | 141.3 | 87 | 185.7 | 2 | 215.9 | 1.6 |
| 6 | 150 | 280 | 23.9 | 192 | 168.3 | 87 | 215.9 | 2 | 241.3 | 1.6 |
| 8 | 200 | 345 | 27 | 246 | 219.1 | 100 | 269.9 | 2 | 298.5 | 1.6 |
| 10 | 250 | 405 | 28.6 | 305 | 273 | 100 | 323.8 | 2 | 362 | 1.6 |
| 12 | 300 | 485 | 30.2 | 365 | 323.8 | 113 | 381 | 2 | 431.8 | 1.6 |
| 14 | 350 | 535 | 33.4 | 400 | 355.6 | 125 | 412.8 | 2 | 476.3 | 1.6 |
| 16 | 400 | 595 | 35 | 457 | 406.4 | 125 | 469.9 | 2 | 539.8 | 1.6 |
| 18 | 450 | 635 | 38.1 | 505 | 457.2 | 138 | 533.4 | 2 | 577.9 | 1.6 |
| 20 | 500 | 700 | 41.3 | 559 | 508 | 143 | 584.2 | 2 | 635 | 1.6 |
| 24 | 600 | 815 | 46.1 | 663 | 610 | 151 | 692.2 | 2 | 749.3 | 1.6 |
| Size in Inch | Size in mm | No of Bolts | Bolt Size UNC | Machine Bolt Length | RF Stud Length | Hole Size | ISO Stud Size | Weight in kg |
| 1/2 | 15 | 4 | 1/2 | 50 | 55 | 5/8 | M14 | 0.6 |
| 3/4 | 20 | 4 | 1/2 | 50 | 65 | 5/8 | M14 | 0.9 |
| 1 | 25 | 4 | 1/2 | 55 | 65 | 5/8 | M14 | 1.4 |
| 1 1/4 | 32 | 4 | 1/2 | 55 | 70 | 5/8 | M14 | 1.4 |
| 1 1/2 | 40 | 4 | 1/2 | 65 | 70 | 5/8 | M14 | 1.8 |
| 2 | 50 | 4 | 5/8 | 70 | 85 | 3/4 | M16 | 2.7 |
| 2 1/2 | 65 | 4 | 5/8 | 75 | 90 | 3/4 | M16 | 3.7 |
| 3 | 80 | 4 | 5/8 | 75 | 90 | 3/4 | M16 | 4.6 |
| 3 1/2 | 90 | 8 | 5/8 | 75 | 90 | 3/4 | M16 | 5.5 |
| 4 | 100 | 8 | 5/8 | 75 | 90 | 3/4 | M16 | 6.8 |
| 5 | 125 | 8 | 3/4 | 85 | 95 | 7/8 | M20 | 8.7 |
| 6 | 150 | 8 | 3/4 | 85 | 100 | 7/8 | M20 | 10.9 |
| 8 | 200 | 8 | 3/4 | 90 | 110 | 7/8 | M20 | 17.7 |
| 10 | 250 | 12 | 7/8 | 100 | 115 | 1 | M24 | 24 |
| 12 | 300 | 12 | 7/8 | 100 | 120 | 1 | M24 | 37 |
| 14 | 350 | 12 | 1 | 115 | 135 | 1 1/8 | M27 | 50 |
| 16 | 400 | 16 | 1 | 115 | 135 | 1 1/8 | M27 | 64 |
| 18 | 450 | 16 | 1 1/8 | 125 | 145 | 1 1/4 | M30 | 68 |
| 20 | 500 | 20 | 1 1/8 | 140 | 160 | 1 1/4 | M30 | 82 |
| 24 | 600 | 20 | 1 1/4 | 150 | 170 | 1 3/8 | M33 | 118 |
| Size in Inch | Size in mm | Outer Diameter | Flange Thick. | Hub OD | Weld Neck OD | Welding Neck Length | RF Diameter | RF Height | PCD | Weld Face |
| A | B | C | D | E | F | G | H | I | ||
| 1/2 | 15 | 95 | 12.7 | 38 | 21.3 | 51 | 34.9 | 2 | 66.7 | 1.6 |
| 3/4 | 20 | 115 | 14.3 | 48 | 26.7 | 56 | 42.9 | 2 | 82.6 | 1.6 |
| 1 | 25 | 125 | 15.9 | 54 | 33.4 | 60 | 50.8 | 2 | 88.9 | 1.6 |
| 1 1/4 | 32 | 135 | 17.5 | 64 | 42.2 | 64 | 63.5 | 2 | 98.4 | 1.6 |
| 1 1/2 | 40 | 155 | 19.1 | 70 | 48.3 | 67 | 73 | 2 | 114.3 | 1.6 |
| 2 | 50 | 165 | 20.7 | 84 | 60.3 | 68 | 92.1 | 2 | 127 | 1.6 |
| 2 1/2 | 65 | 190 | 23.9 | 100 | 73 | 75 | 104.8 | 2 | 149.2 | 1.6 |
| 3 | 80 | 210 | 27 | 117 | 88.9 | 78 | 127 | 2 | 168.3 | 1.6 |
| 3 1/2 | 90 | 230 | 28.6 | 133 | 101.6 | 79 | 139.7 | 2 | 184.2 | 1.6 |
| 4 | 100 | 255 | 30.2 | 146 | 114.3 | 84 | 157.2 | 2 | 200 | 1.6 |
| 5 | 125 | 280 | 33.4 | 178 | 141.3 | 97 | 185.7 | 2 | 235 | 1.6 |
| 6 | 150 | 320 | 35 | 206 | 168.3 | 97 | 215.9 | 2 | 269.9 | 1.6 |
| 8 | 200 | 380 | 39.7 | 260 | 219.1 | 110 | 269.9 | 2 | 330.2 | 1.6 |
| 10 | 250 | 445 | 46.1 | 321 | 273 | 116 | 323.8 | 2 | 387.4 | 1.6 |
| 12 | 300 | 520 | 49.3 | 375 | 323.8 | 129 | 381 | 2 | 450.8 | 1.6 |
| 14 | 350 | 585 | 52.4 | 425 | 355.6 | 141 | 412.8 | 2 | 514.4 | 1.6 |
| 16 | 400 | 650 | 55.6 | 483 | 406.4 | 144 | 469.9 | 2 | 571.5 | 1.6 |
| 18 | 450 | 710 | 58.8 | 533 | 457 | 157 | 533.4 | 2 | 628.6 | 1.6 |
| 20 | 500 | 775 | 62 | 587 | 508 | 160 | 584.2 | 2 | 685.8 | 1.6 |
| 24 | 600 | 915 | 68.3 | 702 | 610 | 167 | 692.2 | 2 | 812.8 | 1.6 |
| Size in Inch | Size in mm | No of Bolts | Bolt Size UNC | Machine Bolt Length | RF Stud Length | Hole Size | ISO Stud Size | Weight in kg |
| 1/2 | 15 | 4 | 1/2 | 55 | 65 | 5/8 | M14 | 1.4 |
| 3/4 | 20 | 4 | 5/8 | 65 | 75 | 3/4 | M16 | 1.4 |
| 1 | 25 | 4 | 5/8 | 65 | 75 | 3/4 | M16 | 1.8 |
| 1 1/4 | 32 | 4 | 5/8 | 70 | 85 | 3/4 | M16 | 2.3 |
| 1 1/2 | 40 | 4 | 3/4 | 75 | 90 | 7/8 | M20 | 3.2 |
| 2 | 50 | 8 | 5/8 | 75 | 90 | 3/4 | M16 | 4.1 |
| 2 1/2 | 65 | 8 | 3/4 | 85 | 100 | 7/8 | M20 | 5.5 |
| 3 | 80 | 8 | 3/4 | 90 | 110 | 7/8 | M20 | 6.8 |
| 3 1/2 | 90 | 8 | 3/4 | 95 | 110 | 7/8 | M20 | 8.2 |
| 4 | 100 | 8 | 3/4 | 95 | 115 | 7/8 | M20 | 11.4 |
| 5 | 125 | 8 | 3/4 | 110 | 120 | 7/8 | M20 | 14.6 |
| 6 | 150 | 12 | 3/4 | 110 | 120 | 7/8 | M20 | 19.1 |
| 8 | 200 | 12 | 7/8 | 120 | 140 | 1 | M24 | 31 |
| 10 | 250 | 16 | 1 | 140 | 160 | 1 1/8 | M27 | 42 |
| 12 | 300 | 16 | 1 1/8 | 145 | 170 | 1 1/4 | M30 | 64 |
| 14 | 350 | 20 | 1 1/8 | 160 | 180 | 1 1/4 | M30 | 82 |
| 16 | 400 | 20 | 1 1/4 | 165 | 190 | 1 3/8 | M33 | 113 |
| 18 | 450 | 24 | 1 1/4 | 170 | 195 | 1 3/8 | M33 | 145 |
| 20 | 500 | 24 | 1 1/4 | 185 | 205 | 1 3/8 | M33 | 182 |
| 24 | 600 | 24 | 1 1/2 | 205 | 230 | 1 5/8 | M39 | 264 |
| Size in Inch | Size in mm | Outer Diameter | Flange Thickness | Hub OD | Weld Neck OD | Welding Neck Length | RF Diameter | RF Height | PCD | Weld Face |
| A | B | C | D | E | F | G | H | I | ||
| 1/2 | 15 | 95 | 14.3 | 38 | 21.3 | 52 | 34.9 | 7 | 66.7 | 1.6 |
| 3/4 | 20 | 115 | 15.9 | 48 | 26.7 | 57 | 42.9 | 7 | 82.6 | 1.6 |
| 1 | 25 | 125 | 17.5 | 54 | 33.4 | 62 | 50.8 | 7 | 88.9 | 1.6 |
| 1 1/4 | 32 | 135 | 20.7 | 64 | 42.2 | 67 | 63.5 | 7 | 98.4 | 1.6 |
| 1 1/2 | 40 | 155 | 22.3 | 70 | 48.3 | 70 | 73 | 7 | 114.3 | 1.6 |
| 2 | 50 | 165 | 25.4 | 84 | 60.3 | 73 | 92.1 | 7 | 127 | 1.6 |
| 2 1/2 | 65 | 190 | 28.6 | 100 | 73 | 79 | 104.8 | 7 | 149.2 | 1.6 |
| 3 | 80 | 210 | 31.8 | 117 | 88.9 | 83 | 127 | 7 | 168.3 | 1.6 |
| 3 1/2 | 90 | 230 | 35 | 133 | 101.6 | 86 | 139.7 | 7 | 184.2 | 1.6 |
| 4 | 100 | 255 | 35 | 146 | 114.3 | 89 | 157.2 | 7 | 200 | 1.6 |
| 5 | 125 | 280 | 38.1 | 178 | 141.3 | 102 | 185.7 | 7 | 235 | 1.6 |
| 6 | 150 | 320 | 41.3 | 206 | 168.3 | 103 | 215.9 | 7 | 269.9 | 1.6 |
| 8 | 200 | 380 | 47.7 | 260 | 219.1 | 117 | 269.9 | 7 | 330 | 1.6 |
| 10 | 250 | 445 | 54 | 321 | 273 | 124 | 323.8 | 7 | 387.4 | 1.6 |
| 12 | 300 | 520 | 57.2 | 375 | 323.8 | 137 | 381 | 7 | 450.8 | 1.6 |
| 14 | 350 | 585 | 60.4 | 425 | 355.6 | 149 | 412.8 | 7 | 514.4 | 1.6 |
| 16 | 400 | 650 | 63.5 | 483 | 406.4 | 152 | 469.9 | 7 | 571.5 | 1.6 |
| 18 | 450 | 710 | 66.7 | 533 | 457 | 165 | 533.4 | 7 | 628.6 | 1.6 |
| 20 | 500 | 775 | 69.9 | 587 | 508 | 168 | 584.2 | 7 | 685.8 | 1.6 |
| 24 | 600 | 915 | 76.2 | 702 | 610 | 175 | 692.2 | 7 | 812.8 | 1.6 |
| Size in Inch | Size in mm | No of Bolts | Bolt Size UNC | RF Stud Length | Hole Size | ISO Stud Size |
| 1/2 | 15 | 4 | 1/2 | 75 | 5/8 | M14 |
| 3/4 | 20 | 4 | 5/8 | 90 | 3/4 | M16 |
| 1 | 25 | 4 | 5/8 | 90 | 3/4 | M16 |
| 1 1/4 | 32 | 4 | 5/8 | 95 | 3/4 | M16 |
| 1 1/2 | 40 | 4 | 3/4 | 110 | 7/8 | M20 |
| 2 | 50 | 8 | 5/8 | 110 | 3/4 | M16 |
| 2 1/2 | 65 | 8 | 3/4 | 120 | 7/8 | M20 |
| 3 | 80 | 8 | 3/4 | 125 | 7/8 | M20 |
| 3 1/2 | 90 | 8 | 7/8 | 140 | 1 | M24 |
| 4 | 100 | 8 | 7/8 | 140 | 1 | M24 |
| 5 | 125 | 8 | 7/8 | 145 | 1 | M24 |
| 6 | 150 | 12 | 7/8 | 150 | 1 | M24 |
| 8 | 200 | 12 | 1 | 170 | 1 1/8 | M27 |
| 10 | 250 | 16 | 1 1/8 | 190 | 1 1/4 | M30 |
| 12 | 300 | 16 | 1 1/4 | 205 | 1 3/8 | M33 |
| 14 | 350 | 20 | 1 1/4 | 210 | 1 3/8 | M33 |
| 16 | 400 | 20 | 1 3/8 | 220 | 1 1/2 | M36 |
| 18 | 450 | 24 | 1 3/8 | 230 | 1 1/2 | M36 |
| 20 | 500 | 24 | 1 1/2 | 240 | 1 3/4 | M39 |
| 24 | 600 | 24 | 1 3/4 | 265 | 1 7/8 | M45 |
| Size in Inch | Size in mm | Outer Diameter | Flange Thickness | Hub OD | Weld Neck OD | Welding Neck Length | RF Diameter | RF Height | PCD | Weld Face |
| A | B | C | D | E | F | G | H | I | ||
| 1/2 | 15 | 95 | 14.3 | 38 | 21.3 | 52 | 34.9 | 7 | 66.7 | 1.6 |
| 3/4 | 20 | 115 | 15.9 | 48 | 26.7 | 57 | 42.9 | 7 | 82.6 | 1.6 |
| 1 | 25 | 125 | 17.5 | 54 | 33.4 | 62 | 50.8 | 7 | 88.9 | 1.6 |
| 1 1/4 | 32 | 135 | 20.7 | 64 | 42.2 | 67 | 63.5 | 7 | 98.4 | 1.6 |
| 1 1/2 | 40 | 155 | 22.3 | 70 | 48.3 | 70 | 73 | 7 | 114.3 | 1.6 |
| 2 | 50 | 165 | 25.4 | 84 | 60.3 | 73 | 92.1 | 7 | 127 | 1.6 |
| 2 1/2 | 65 | 190 | 28.6 | 100 | 73 | 79 | 104.8 | 7 | 149.2 | 1.6 |
| 3 | 80 | 210 | 31.8 | 117 | 88.9 | 83 | 127 | 7 | 168.3 | 1.6 |
| 3 1/2 | 90 | 230 | 35 | 133 | 101.6 | 86 | 139.7 | 7 | 184.2 | 1.6 |
| 4 | 100 | 275 | 38.1 | 152 | 114.3 | 102 | 157.2 | 7 | 215.9 | 1.6 |
| 5 | 125 | 330 | 44.5 | 189 | 141.3 | 114 | 185.7 | 7 | 266.7 | 1.6 |
| 6 | 150 | 355 | 47.7 | 222 | 168.3 | 117 | 215.9 | 7 | 292.1 | 1.6 |
| 8 | 200 | 420 | 55.6 | 273 | 219.1 | 133 | 269.9 | 7 | 349.2 | 1.6 |
| 10 | 250 | 510 | 63.5 | 343 | 273 | 152 | 323.8 | 7 | 431.8 | 1.6 |
| 12 | 300 | 560 | 66.7 | 400 | 323.8 | 156 | 381 | 7 | 489 | 1.6 |
| 14 | 350 | 605 | 69.9 | 432 | 355.6 | 165 | 412.8 | 7 | 527 | 1.6 |
| 16 | 400 | 685 | 76.2 | 495 | 406.4 | 178 | 469.9 | 7 | 603.2 | 1.6 |
| 18 | 450 | 745 | 82.6 | 546 | 457 | 184 | 533.4 | 7 | 654 | 1.6 |
| 20 | 500 | 815 | 88.9 | 610 | 508 | 190 | 584.2 | 7 | 723.9 | 1.6 |
| 24 | 600 | 940 | 101.6 | 718 | 610 | 203 | 692.2 | 7 | 1.6 |
| Size in Inch | Size in mm | No of Bolts | Bolt Size UNC | RF Stud Length | Hole Size | ISO Stud Size | Weight in kg |
| 1/2 | 15 | 4 | 1/2 | 75 | 5/8 | M14 | 1.5 |
| 3/4 | 20 | 4 | 5/8 | 90 | 3/4 | M16 | 1.8 |
| 1 | 25 | 4 | 5/8 | 90 | 3/4 | M16 | 1.8 |
| 1 1/4 | 32 | 4 | 5/8 | 95 | 3/4 | M16 | 2.7 |
| 1 1/2 | 40 | 4 | 3/4 | 110 | 7/8 | M20 | 3.7 |
| 2 | 50 | 8 | 5/8 | 110 | 3/4 | M16 | 5.5 |
| 2 1/2 | 65 | 8 | 3/4 | 120 | 7/8 | M20 | 8.2 |
| 3 | 80 | 8 | 3/4 | 125 | 7/8 | M20 | 10.5 |
| 3 1/2 | 90 | 8 | 7/8 | 140 | 1 | M24 | 11.8 |
| 4 | 100 | 8 | 7/8 | 145 | 1 | M24 | 19.1 |
| 5 | 125 | 8 | 1 | 165 | 1 1/8 | M27 | 31 |
| 6 | 150 | 12 | 1 | 170 | 1 1/8 | M27 | 36 |
| 8 | 200 | 12 | 1 1/8 | 190 | 1 1/4 | M30 | 55 |
| 10 | 250 | 16 | 1 1/4 | 215 | 1 3/8 | M33 | 86 |
| 12 | 300 | 20 | 1 1/4 | 220 | 1 3/8 | M33 | 102 |
| 14 | 350 | 20 | 1 3/8 | 235 | 1 1/2 | M36 | 127 |
| 16 | 400 | 20 | 1 1/2 | 255 | 1 5/8 | M39 | 177 |
| 18 | 450 | 20 | 1 5/8 | 275 | 1 3/4 | M42 | 216 |
| 20 | 500 | 24 | 1 5/8 | 285 | 1 3/4 | M42 | 268 |
| 24 | 600 | 24 | 1 7/8 | 330 | 2 | M48 | 377 |
| Size in Inch | Size in mm | Outer Diameter | Flange Thickness | Hub OD | Weld Neck OD | Welding Neck Length | RF Diameter | RF Height | PCD | Weld Face |
| A | B | C | D | E | F | G | H | I | ||
| 1/2 | 15 | 120 | 22.3 | 38 | 21.3 | 60 | 34.9 | 7 | 82.6 | 1.6 |
| 3/4 | 20 | 130 | 25.4 | 44 | 26.7 | 70 | 42.9 | 7 | 88.9 | 1.6 |
| 1 | 25 | 150 | 28.6 | 52 | 33.4 | 73 | 50.8 | 7 | 101.6 | 1.6 |
| 1 1/4 | 32 | 160 | 28.6 | 64 | 42.2 | 73 | 63.5 | 7 | 111.1 | 1.6 |
| 1 1/2 | 40 | 180 | 31.8 | 70 | 48.3 | 83 | 73 | 7 | 123.8 | 1.6 |
| 2 | 50 | 215 | 38.1 | 105 | 60.3 | 102 | 92.1 | 7 | 165.1 | 1.6 |
| 2 1/2 | 65 | 245 | 41.3 | 124 | 73 | 105 | 104.8 | 7 | 190.5 | 1.6 |
| 3 | 80 | 240 | 38.1 | 127 | 88.9 | 102 | 127 | 7 | 190.5 | 1.6 |
| 4 | 100 | 290 | 44.5 | 159 | 114.3 | 114 | 157.2 | 7 | 235 | 1.6 |
| 5 | 125 | 350 | 50.8 | 190 | 141.3 | 127 | 185.7 | 7 | 279.4 | 1.6 |
| 6 | 150 | 380 | 55.6 | 235 | 168.3 | 140 | 215.9 | 7 | 317.5 | 1.6 |
| 8 | 200 | 470 | 63.5 | 298 | 219.1 | 162 | 269.9 | 7 | 393.7 | 1.6 |
| 10 | 250 | 545 | 69.9 | 368 | 273 | 184 | 323.8 | 7 | 469.9 | 1.6 |
| 12 | 300 | 610 | 79.4 | 419 | 323.8 | 200 | 381 | 7 | 533.4 | 1.6 |
| 14 | 350 | 640 | 85.8 | 451 | 355.6 | 213 | 412.8 | 7 | 558.8 | 1.6 |
| 16 | 400 | 705 | 88.9 | 508 | 406.4 | 216 | 469.9 | 7 | 616 | 1.6 |
| 18 | 450 | 785 | 101.6 | 565 | 457 | 229 | 533.4 | 7 | 685.8 | 1.6 |
| 20 | 500 | 855 | 108 | 622 | 508 | 248 | 584.2 | 7 | 749.3 | 1.6 |
| 24 | 600 | 1040 | 139.7 | 749 | 610 | 292 | 692.2 | 7 | 901.7 | 1.6 |
| Size in Inch | Size in mm | No of Bolts | Bolt Size UNC | RF Stud Length | Hole Size | ISO Stud Size | Weight in kg |
| 1/2 | 15 | 4 | 3/4 | 110 | 7/8 | M20 | 2.3 |
| 3/4 | 20 | 4 | 3/4 | 115 | 7/8 | M20 | 2.7 |
| 1 | 25 | 4 | 7/8 | 125 | 1 | M24 | 4.1 |
| 1 1/4 | 32 | 4 | 7/8 | 125 | 1 | M24 | 4.6 |
| 1 1/2 | 40 | 4 | 1 | 140 | 1 1/8 | M27 | 5.9 |
| 2 | 50 | 8 | 7/8 | 145 | 1 | M24 | 11.5 |
| 2 1/2 | 65 | 8 | 1 | 160 | 1 1/8 | M27 | 16.5 |
| 3 | 80 | 8 | 7/8 | 145 | 1 | M24 | 14 |
| 4 | 100 | 8 | 1 1/8 | 170 | 1 1/4 | M30 | 23 |
| 5 | 125 | 8 | 1 1/4 | 190 | 1 3/8 | M33 | 39.5 |
| 6 | 150 | 12 | 1 1/8 | 190 | 1 1/4 | M30 | 50 |
| 8 | 200 | 12 | 1 3/8 | 220 | 1 1/2 | M36 | 80 |
| 10 | 250 | 16 | 1 3/8 | 235 | 1 1/2 | M36 | 118 |
| 12 | 300 | 20 | 1 3/8 | 255 | 1 1/2 | M36 | 148 |
| 14 | 350 | 20 | 1 1/2 | 275 | 1 5/8 | M39 | 182 |
| 16 | 400 | 20 | 1 5/8 | 285 | 1 3/4 | M42 | 225 |
| 18 | 450 | 20 | 1 7/8 | 325 | 2 | M48 | 300 |
| 20 | 500 | 20 | 2 | 350 | 2 1/8 | M52 | 373 |
| 24 | 600 | 20 | 2 1/2 | 440 | 2 5/8 | M64 | 680 |
| Size in Inch | Size in mm | Outer Diameter | Flange Thickness | Hub OD | Weld Neck OD | Welding Neck Length | RF Diameter | RF Height | PCD | Weld Face |
| A | B | C | D | E | F | G | H | I | ||
| 1/2 | 15 | 120 | 22.3 | 38 | 21.3 | 60 | 34.9 | 7 | 82.6 | 1.6 |
| 3/4 | 20 | 130 | 25.4 | 44 | 26.7 | 70 | 42.9 | 7 | 88.9 | 1.6 |
| 1 | 25 | 150 | 28.6 | 52 | 33.4 | 73 | 50.8 | 7 | 101.6 | 1.6 |
| 1 1/4 | 32 | 160 | 28.6 | 64 | 42.2 | 73 | 63.5 | 7 | 111.1 | 1.6 |
| 1 1/2 | 40 | 180 | 31.8 | 70 | 48.3 | 83 | 73 | 7 | 123.8 | 1.6 |
| 2 | 50 | 215 | 38.1 | 105 | 60.3 | 102 | 92.1 | 7 | 165.1 | 1.6 |
| 2 1/2 | 65 | 245 | 41.3 | 124 | 73 | 105 | 104.8 | 7 | 190.5 | 1.6 |
| 3 | 80 | 265 | 47.7 | 133 | 88.9 | 117 | 127 | 7 | 203.2 | 1.6 |
| 4 | 100 | 310 | 54 | 162 | 114.3 | 124 | 157.2 | 7 | 241.3 | 1.6 |
| 5 | 125 | 375 | 73.1 | 197 | 141.3 | 156 | 185.7 | 7 | 292.1 | 1.6 |
| 6 | 150 | 395 | 82.6 | 229 | 168.3 | 171 | 215.9 | 7 | 317.5 | 1.6 |
| 8 | 200 | 485 | 92.1 | 292 | 219.1 | 213 | 269.9 | 7 | 393.7 | 1.6 |
| 10 | 250 | 585 | 108 | 368 | 273 | 254 | 323.8 | 7 | 482.6 | 1.6 |
| 12 | 300 | 675 | 123.9 | 451 | 323.8 | 283 | 381 | 7 | 571.5 | 1.6 |
| 14 | 350 | 750 | 133.4 | 495 | 355.6 | 298 | 412.8 | 7 | 635 | 1.6 |
| 16 | 400 | 825 | 146.1 | 552 | 406.4 | 311 | 469.9 | 7 | 704.8 | 1.6 |
| 18 | 450 | 915 | 162 | 597 | 457 | 327 | 533.4 | 7 | 774.7 | 1.6 |
| 20 | 500 | 985 | 177.8 | 641 | 508 | 356 | 584.2 | 7 | 831.8 | 1.6 |
| 24 | 600 | 1170 | 203.2 | 762 | 610 | 406 | 692.2 | 7 | 990.6 | 1.6 |
| Size in Inch | Size in mm | No of Bolts | Bolt Size UNC | RF Stud Length | Hole Size | ISO Stud Size | Weight in kg |
| 1/2 | 15 | 4 | 3/4 | 110 | 7/8 | M20 | 2.3 |
| 3/4 | 20 | 4 | 3/4 | 115 | 7/8 | M20 | 2.7 |
| 1 | 25 | 4 | 7/8 | 125 | 1 | M24 | 4.1 |
| 1 1/4 | 32 | 4 | 7/8 | 125 | 1 | M24 | 4.6 |
| 1 1/2 | 40 | 4 | 1 | 140 | 1 1/8 | M27 | 5.9 |
| 2 | 50 | 8 | 7/8 | 145 | 1 | M24 | 11.4 |
| 2 1/2 | 65 | 8 | 1 | 160 | 1 1/8 | M27 | 16.4 |
| 3 | 80 | 8 | 1 1/8 | 180 | 1 1/4 | M30 | 21.8 |
| 4 | 100 | 8 | 1 1/4 | 195 | 1 3/8 | M33 | 33 |
| 5 | 125 | 8 | 1 1/2 | 250 | 1 5/8 | M39 | 59 |
| 6 | 150 | 12 | 1 3/8 | 260 | 1 1/2 | M36 | 75 |
| 8 | 200 | 12 | 1 5/8 | 290 | 1 3/4 | M42 | 125 |
| 10 | 250 | 12 | 1 7/8 | 335 | 2 | M48 | 207 |
| 12 | 300 | 16 | 2 | 375 | 2 1/8 | M52 | 314 |
| 14 | 350 | 16 | 2 1/4 | 405 | 2 3/8 | M56 | 427 |
| 16 | 400 | 16 | 2 1/2 | 445 | 2 5/8 | M64 | 568 |
| 18 | 450 | 16 | 2 3/4 | 495 | 2 7/8 | M72 | 738 |
| 20 | 500 | 16 | 3 | 540 | 3 1/8 | M76 | 932 |
| 24 | 600 | 16 | 3 1/2 | 615 | 3 5/8 | M90 | 1511 |
| Size in Inch | Size in mm | Outer Diameter | Flange Thickness | Hub OD | Weld Neck OD | Welding Neck Length | RF Diameter | RF Height | PCD | Weld Face |
| A | B | C | D | E | F | G | H | I | ||
| 1/2 | 15 | 135 | 30.2 | 43 | 21.3 | 73 | 34.9 | 7 | 88.9 | 1.6 |
| 3/4 | 20 | 140 | 31.8 | 51 | 26.7 | 79 | 42.9 | 7 | 95.2 | 1.6 |
| 1 | 25 | 160 | 35 | 57 | 33.4 | 89 | 50.8 | 7 | 108 | 1.6 |
| 1 1/4 | 32 | 185 | 38.1 | 73 | 42.2 | 95 | 63.5 | 7 | 130.2 | 1.6 |
| 1 1/2 | 40 | 205 | 44.5 | 79 | 48.3 | 111 | 73 | 7 | 146 | 1.6 |
| 2 | 50 | 235 | 50.9 | 95 | 60.3 | 127 | 92.1 | 7 | 171.4 | 1.6 |
| 2 1/2 | 65 | 265 | 57.2 | 114 | 73 | 143 | 104.8 | 7 | 196.8 | 1.6 |
| 3 | 80 | 305 | 66.7 | 133 | 88.9 | 168 | 127 | 7 | 228.6 | 1.6 |
| 4 | 100 | 355 | 76.2 | 165 | 114.3 | 190 | 157.2 | 7 | 273 | 1.6 |
| 5 | 125 | 420 | 92.1 | 203 | 141.3 | 229 | 185.7 | 7 | 323.8 | 1.6 |
| 6 | 150 | 485 | 108 | 235 | 168.3 | 273 | 215.9 | 7 | 368.3 | 1.6 |
| 8 | 200 | 550 | 127 | 305 | 219.1 | 318 | 269.9 | 7 | 438.2 | 1.6 |
| 10 | 250 | 675 | 165.1 | 375 | 273 | 419 | 323.8 | 7 | 539.8 | 1.6 |
| 12 | 300 | 760 | 184.2 | 441 | 323.8 | 464 | 381 | 7 | 619.1 | 1.6 |
| Size in Inch | Size in mm | No of Bolts | Bolt Size UNC | RF Stud Length | Hole Size | ISO Stud Size | Weight in kg |
| 1/2 | 15 | 4 | 3/4 | 120 | 7/8 | M20 | 3.3 |
| 3/4 | 20 | 4 | 3/4 | 125 | 7/8 | M20 | 3.7 |
| 1 | 25 | 4 | 7/8 | 140 | 1 | M24 | 5.5 |
| 1 1/4 | 32 | 4 | 1 | 150 | 1 1/8 | M27 | 7.8 |
| 1 1/2 | 40 | 4 | 1 1/8 | 170 | 1 1/4 | M30 | 11.5 |
| 2 | 50 | 8 | 1 | 180 | 1 1/8 | M27 | 19 |
| 2 1/2 | 65 | 8 | 1 1/8 | 195 | 1 1/4 | M30 | 24 |
| 3 | 80 | 8 | 1 1/4 | 220 | 1 3/8 | M33 | 42.8 |
| 4 | 100 | 8 | 1 1/2 | 255 | 1 5/8 | M39 | 66 |
| 5 | 125 | 8 | 1 3/4 | 300 | 1 7/8 | M45 | 111 |
| 6 | 150 | 8 | 2 | 345 | 2 1/8 | M52 | 173 |
| 8 | 200 | 12 | 2 | 380 | 2 1/8 | M52 | 264 |
| 10 | 250 | 12 | 2 1/2 | 490 | 2 5/8 | M64 | 490 |
| 12 | 300 | 12 | 2 3/4 | 540 | 2 7/8 | M72 | 695 |
Types of Stainless Steel Weld Neck Flanges
- Stainless Steel Class 75 Weld Neck Flanges
- Stainless Steel Class 150 Weld Neck Flanges
- Stainless Steel Class 175 Weld Neck Flanges
- Stainless Steel Class 250 Weld Neck Flanges
- Stainless Steel Class 300 Weld Neck Flanges
- Stainless Steel Class 350 Weld Neck Flanges
- Stainless Steel Plate Weld Neck Flanges
- Stainless Steel Ring Type Joint Weld Neck Flanges
- Stainless Steel Drawing Weld Neck Flanges
- Stainless Steel Square Weld Neck Flanges
- Stainless Steel Nipo Weld Neck Flanges
- Stainless Steel Reducing Weld Neck Flanges
- Stainless Steel Forged Weld Neck Flanges
- Stainless Steel Weld Neck Flanges
- Stainless Steel Class 125 Light-weight Weld Neck Flanges
- Stainless Steel Class 125/150 Weld Neck Flanges
- Stainless Steel WNRF Flanges
Other Standards of ANSI / ASME / DIN Stainless Steel Weld Neck Flanges
- ANSI B16.5 Stainless Steel Weld Neck Flanges
- ANSI B16.5 Stainless Steel Class 150 Weld Neck Flanges
- ANSI B16.5 Stainless Steel Class 300 Weld Neck Flanges
- ANSI B16.5 Stainless Steel Class 400 Weld Neck Flanges
- ANSI B16.5 Stainless Steel Class 600 Weld Neck Flanges
- ANSI B16.5 Stainless Steel Class 900 Weld Neck Flanges
- ANSI B16.5 Stainless Steel Class 1500 Weld Neck Flanges
- ANSI B16.5 Stainless Steel Class 2500 Weld Neck Flanges
- ASME B16.47 Stainless Steel Series A Weld Neck Flanges
- ASME B16.47 Stainless Steel Series B Weld Neck Flanges
- ANSI B16.36 Stainless Steel Orifice Weld Neck Flanges
- DIN Stainless Steel Weld Neck Flanges PN6-PN40
For Stainless Steel Weld Neck Flanges price list
Request the latest Stainless Steel Weld Neck Flanges Price List. Use the contact button below for Stainless Steel Weld Neck Flanges Ready stock information and updated price list.
Stainless Steel Weld Neck Flanges Applications
| Off-Shore Oil Drilling Companies | Power Generation | Petrochemicals | Gas Processing |
| Specialty Chemicals | Pharmaceuticals | Pharmaceutical Equipment | Chemical Equipment |
| Sea Water Equipment | Heat Exchangers | Condensers | Pulp & Paper Industry |
Stainless Steel Weld Neck Flanges Manufacturer & Supplier
- Stainless Steel Weld Neck Flanges manufacturer in india
- Stainless Steel Weld Neck Flanges supplier in india
- Stainless Steel Weld Neck Flanges manufacturer in Mumbai
- Stainless Steel Weld Neck Flanges manufacturer in Pune
- Stainless Steel Weld Neck Flanges supplier in Chennai
- Stainless Steel Weld Neck Flanges manufacturer in Hyderabad
